扫一扫,免费通话
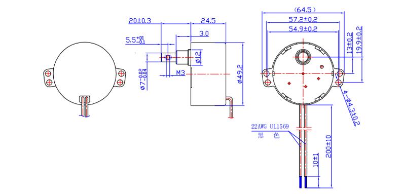
主要电气性能:
1.额定电压 220V~ 50/60Hz
2.空载功率 ≤4W
3.空载电流 ≤20mA
4.输出扭矩 ≥16kgf.cm(冷态)
5.转 速 2.5/3R.P.M
6.测试电压 ≤186V
7.绝缘电阻 ≥100MΩ
8.绝缘强度 1800V/s
9.噪 音 ≤40dB
10.转动方向 CW
11.绝缘等级 E
12.温 升 ≤75K
13.连续负载50%的额定输出力矩运行不小于1000H
连续负载20%的额定输出力矩运行不小于3000H
应用范围:商用电风扇(大功率)、烤箱、户外烧烤架、3D循环扇、电暖器、舞台灯、壁炉、宠物投食机等
佛山市三水区云东海街道邓岗村委会黎北村大布工业区3号302厂房
联系方式:189 2324 6876 / 137 6097 6685
联系人:罗平南
